意法半导体研发(深圳)有限公司拟升级为深圳市物联网产业协会理事单位公示
admin 2025年4月16日 18:07:49 tp官方下载安卓最新版2025 220
比特派钱包2025官网下载:bit114.app,bit115.app,btp1.app,btp2.app,btp3.app,btbtptptpie.tu5223.cn
谈及科技界的高超技术,意法半导体的技术实力不容忽视。它不仅让出行变得更加智能,还提高了电源管理的效率,拓展了物联网的应用领域。接下来,我们将详细探讨意法半导体在多个领域的卓越技术。


智能出行新助力

意法半导体的技术显著促进了出行方式的智能化。目前,众多城市中,智能交通系统正逐步推广开来,而意法半导体的芯片则广泛应用于智能车载系统。以某知名汽车品牌的新款车为例,它配备了意法半导体的智能传感器,这些传感器能够精确地探测路况及周围车辆,从而实现自动驾驶和避障等功能。在上下班高峰时段,车辆会依据实时的交通信息来设定最佳行驶路径,此举有助于缩短人们的出行时间,并使出行过程更加高效和安全。


公共交通领域,意法半导体的技术贡献显著。不少城市的公交车已装备了智能调度系统,借助这项技术,车辆的位置和运行状况得以实时掌握。比如,乘客通过手机APP就能精确预知下一辆公交车的到达时间,这大大增强了出行的便捷性和舒适度。
高效电源管理

意法半导体在电源及能源管理方面表现卓越。他们生产的电源管理芯片能有效降低能源浪费。比如,在一家大型数据中心应用意法半导体的解决方案后,能源使用量减少了20%。这一成果既减少了企业的运营费用,又顺应了当前节能减排的潮流。
这项技术被广泛用于多种电子设备。例如,某些新款智能手机,它们搭载了意法半导体的电源管理芯片,极大增强了电池的使用寿命。因此,用户不必频繁充电,使用体验更加便捷,同时也有助于降低废弃电池对环境的负担。

广泛物联网应用

意法半导体促进了物联网与互联技术的广泛运用。在工业物联网领域,众多工厂通过使用意法半导体的传感器,实现了对生产设备的实时监控和数据搜集。某制造企业部署了这些传感器后,能够迅速了解生产设备的运行状况和性能指标,及时察觉到可能出现的故障,有效防止了生产的中断,从而提升了生产效率。
在智能家居行业,意法半导体的技术使得各类家电设备能够实现相互连接。借助手机APP,用户可以远程操控家中的照明、空调、门锁等。例如,即便人还在外出途中,也能提前开启空调,调整至适宜的温度,等回家时便能够享受到温馨舒适的居住环境。
IO - Link解决方案优势

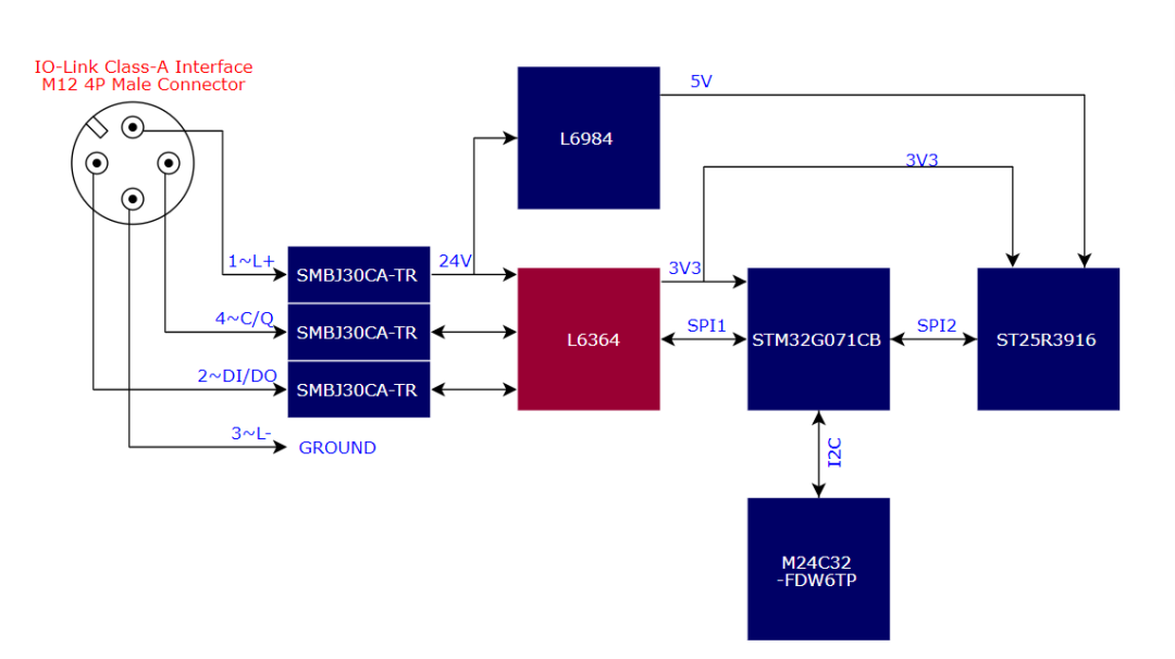
工厂自动化系统中,意法半导体的IO-Link主站扮演着网关的关键角色。它构建了上层网络与IO-Link设备间的桥梁,为工厂智能化生产奠定了基础。此外,该方案还配备了USB-C接口,便于客户操作。这家电子制造企业采用了IO-Link技术,这样一来,它们的设备连接与调试过程变得更为简便快捷。
它整合了多种功能,包括DCDC转换器、LDO、数据传输缓冲区、LED控制器等。这大大减少了PCB的占用空间。对制造商而言,这表示他们能在更紧凑的空间内打造出功能强大的IO-Link产品。同时,这也降低了生产成本,增强了产品的市场竞争力。
STKNX产品特点

STKNX在家居和楼宇自动化领域应用广泛,其优势明显。它能够方便地与微控制器进行“位码流”通信,并且无需使用晶振。这样的特性使得产品设计更为简洁,简化了生产流程。比如,一栋智能写字楼就采用了STKNX产品,实现了照明、空调等系统的集中管理。

该产品内部集成了众多部件,采用了4乘4的VQFNPN封装,24个引脚设计,节省了空间。设计师可借此优势,在有限的PCB区域内设计STKNX产品,促进了家居楼宇自动化产品向小型化和集成化方向发展。
人体存在传感器应用
意法半导体的这款人体存在传感器,采用ST的MCU、STKNX技术,以及TMOS和PIR传感器。这种传感器应用十分广泛。在智能照明领域,当有人进入房间,PIR传感器能迅速捕捉到移动物体,灯光随即点亮;而当人停止活动,TMOS传感器同样能准确检测到人体,确保灯光不会熄灭。在酒店客房的应用中,它不仅提高了客人的入住体验,还实现了能源的有效节约。

在安防报警行业中,这种传感器能迅速而精确地探测到人的动作,报警系统随即作出反应。一旦有非法入侵者进入监控范围 https://www.gdstyl.com,传感器便会立刻向控制装置发送信号,启动警报,确保了场所的安全。

意法半导体的技术让我们的生活和工作变得更加便捷,这些改变大家都有目共睹。大家觉得这些技术今后还能在哪些方面创造更多价值?欢迎在评论区留言交流,同时别忘了点赞和转发这篇文章。
比特派钱包2025官网下载:bit114.app,bit115.app,btp1.app,btp2.app,btp3.app,btbtptptpie.tu5223.cn,tokenim.app,bitp2.app
tpwallet官网下载(TokenPocket)官网是一款安全可靠的多功能数字资产钱包,提供TP钱包的下载与客服支持。TPWallet, TPWallet官方, TPWallet下载,TPWallet最新版支持BTC,ETH,BSC,TRON等所有主流公链,已为全球近千万用户提供安全的数字货币资产管理服务。